Poland Factory Reduces Power Faults by 38% After Replacing Main ACBs
A medium-sized manufacturing plant upgraded its main air circuit breakers to improve protection reliability, reduce unplanned shutdowns, and support growing production loads.
The Challenge
The factory’s main switchboard had been in operation for over 10 years. As new CNC machines and welding lines were added, the old ACBs began to trip frequently and could no longer provide stable protection.
Identified Pain Points
- ⚠️ Frequent Nuisance Trips: Load peaks during machine start-up caused unexpected shutdowns.
- 🔧 Limited Breaking Capacity: Existing breakers were close to their short-circuit limit.
- 🛠️ Slow Maintenance: Fixed ACBs required long shutdowns for inspection.
- 📉 Production Loss: Each power fault stopped multiple production lines at once.
Our Solution
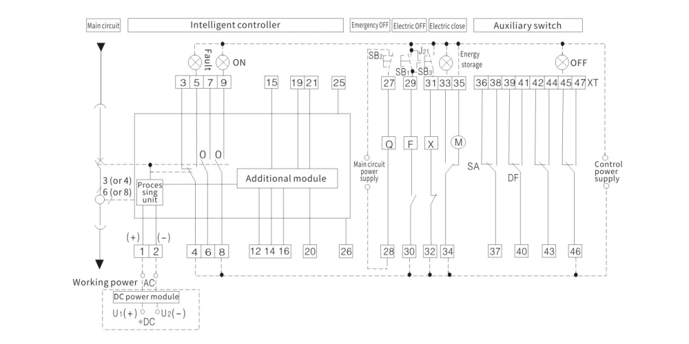
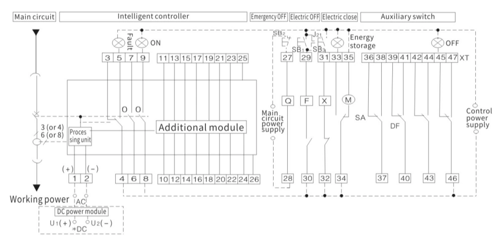
We supplied draw-out type ACBs with electronic trip units, rated at 3200A and designed for high short-circuit environments. The new breakers were installed into the existing switchboard with only minor adjustments, and protection settings were optimized for motor-heavy loads to reduce nuisance trips while maintaining safety.
| Metric (Yearly) | Before | After |
|---|---|---|
| Unplanned Shutdowns | 11 events | 6 events |
| Maintenance Hours | 420 hrs | 210 hrs |
| Power Fault Incidents | 26 cases | 16 cases |
| Lost Production Time | 14 days | 9 days |

























